
长输管道杂散电流干扰和防护措施
一、杂散电流类别
杂散电流分为直流和交流,例如采用四通道快速数据采集存储器和计算机数据处理技术,对紧靠上海地铁一号线沪闵路段的埋地输油管道受杂散电流干扰的情况进行了现场检测.测试结果充分说明干扰来源于地铁列车的运行,其特点是双向动态干扰,没有固定的阴极区和阳极区.从实际条件出发,利用原来保护该输油管道所埋设的镁阳极作接地床,采用极性接地排流方式来抑制杂散电流干扰,各处的排流效果介于60%~100%.
直流杂散电流检测
直流杂散电流可以分为静态杂散电流和动态杂散电流。使用SCM(杂散电流检测仪)软件可以对静态杂散电流进行实时检测和数据分析。而对动态杂散电流检测时,可以设置最长达48小时的自动监测和数据存贮。
当在管道任意点上的管地电位较自然电位正向偏移20mV或管道附近土壤中的电位梯度大于0.5mV/m时,确定为有直流电干扰;当在管道任意点上管地电位较自然电位正向偏移100mV或管道附近土壤中的电位梯度大于2.5mV/m时,管道应采取直流排流保护或其它防护措施。
直流电干扰的测试,排流保护效果评定及管理应按SY/T0017—96《埋地钢质管道直流排流保护技术标准》中的规定执行。


交流杂散电流干扰采用参比法测量,从而确定杂散电流干扰的程度。当管道任意点上管地电位持续1V以上时,确定为存在交流干扰;当中性土壤中的管道任意点上管地交流电位持续高于8V、碱性土壤中高于10V或酸性土壤中高于6V时,管道应采取交流排流保护或相应的其它保护措施。
交流电干扰测试按SY/T0032—2000《埋地钢质管道交流排流保护技术标准》执行,具休的方法是:
(1)测知管道上产生交流电干扰时,应及时向上级主管部门申报,由上级部门做进一步核查,请专业部门提出防护设计,并组织实施。
(2)交流电干扰防护措施,应优先选避让措施,当避让困难时,可选择以钳位式交流排流保护为主的综合防护措施。
(3)管道部门每年应对所辖下管道进行一次交流管地电位检测,特别对输电线路平行间距小、平行段较长、距输电线路杆(塔)避雷接地体、变电所接地网较近干扰可能性大的管段重监测,当发现有干扰时,应按规定进行详测。并上报主管部门。
杂散电流第三种状态是地电流。地中存在的自然的地电流,主要由地磁场的变化感应出来的。除此以外,由于大气中离子的移动,产生控制至地面的空地电流,地中的物质和温度不均匀引起的电动势,以及地中各种宏电池形成的电位差等。地电流对埋地管道的影响,有时是很轻微的,有时却十分明显,没有规律性。一般的情况下,地磁场变化引起的地中电流大约2μA/m2左右,从腐蚀角度看,并不重要,但各种宏电池形成的电位差,可达0.2V到0.4V,故不能忽视。
电车、电气化铁路、以接地为回路的输电系统等直流电力系统,都可能在土壤中产生杂散电流。
电流从供电所的发电机流经输出馈电线、电车、轨道、经负极母线(回归线)返回发电机。在铁轨连接不好、接头电阻大处,部分电流将由轨道绝缘不良处向大地漫流,流入管道后又返回铁轨。杂散电流的这一流动过程形成了两个由外加电位差而建立的腐蚀电池,使铁轨及建立的腐蚀电池,使铁轨及金属管道均受腐蚀,其腐蚀程度要比一般的土壤腐蚀激烈得多。地下管道在没有杂散电流时,腐蚀电池的两极电位差只有零点几伏。而有杂散电流存在时,管道的管地电位可能高达8~9V,通过的电流最大达几百安,其影响可以远达几十公里的范围。壁厚7~8mm的某地下钢管道,在杂散电流作用下,投产四五个月后即腐蚀穿孔。地下管道越靠近供电系统,杂散电流引起的腐蚀越严重。
二. 杂散电流的检测方式
由于管线是全线连通的, 杂散电流又是无规律地大幅度变化, 因此对管线上的杂散电流进行直接检测是很困难的。针对杂散电流的无规律、 快变化的特性, 我们采用 SCM-200a
杂散电流测量仪对其进行检测。
2. 1 测量方法
管道杂散电流干扰调查
对于杂散电流,检测分为普查和详查两个阶段
普查测试应遵循下列原则
(1)测试点选在与干扰源(变电站、高压线、铁路)接近的管段,间隔1公里,利用现有测试桩
(2)对于高压输电线路接近的管段,各点测试时间为5min,对于交流电气化铁路接近的管段,测试选择在列车运行的高峰时间段内,
(3)应记录每次测量的时间和位置,
详查测试应遵循下列原则
(1)测试点根据普查测试结果布设在干扰较严重的管段上
(2)测试时间段分别选择在干扰源的高峰、低峰和一般负荷三个时间段上,测定时间段为60min,对运行频繁的电气化铁路取30min,对强度大或剧烈波动的干扰,普查测试期间测得的交流或直流电压最大和电流密度最大的点,进行24小时测试。
杂散电流测量仪的检测原理是当有电流流过时, 管线上就有电压降, 通过测量管线上的电压降, 就可以获得杂散电流的大小。 该仪器可对模拟电位信号进行处理,将数值绘制成杂散电流变化曲线, 为掌握杂散电流分布情况及采取相应的防护措施提供可靠的测量手段和依据。我们选取从西山联—石埠联之间全长 10. 2km 的管道作为被测管段。 该段管道已经采用了 阴极保护对管道防护, 全线有 26 个测试桩位。
2. 2 数据的处理
由于杂散电流的干扰, 管地电位不断发生变化, 因此可以将管地电位看作一随机变量, 可以应用数理统计的方法分析这个随机变量。 首先, 将管地电位按照一定的步长, 分析在每个电位值(取步长中间值) 上的频率分布, 取概率分布最大值从 Vave 作为管地电位的平均值。 在频率分布曲线的两端分别去除≤2. 5%(电位点数) 作为测试的散点值, 在剩余曲
线的两端的值作为管地电位出现的最大值和最小值。 做距离与 Vmax. 、 Vave, 、 Vmin 的曲线, 从曲线上可以分析管线沿线的杂散电流干扰的阴极区和阳极区, 从而为下一步的排流方案的制定提供可靠的数理依据。

方案一、单独排流法:
当管道与高压电缆全部为垂直交叉通过时,可以采用单独排流的方式,具体方法如下:
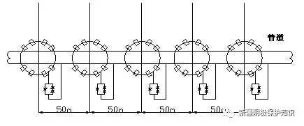
接地网制作方法为以管道与高压电缆交叉点为圆心,将8根锌合金阳极均匀分布在直径六米的圆周上,锌合金阳极通过电缆连接到一起形成接地网,排流器一端接电缆引出端,一端接管道。每个交叉点设置一组接地网,共设置五组。
如图所示:

当管道与高压电缆与管道有平行部分,并通过一个汇总点与管道垂直交叉,可以采用集中排流的方式,具体方法如下:
接地网制作方法为以管道与高压电缆交叉点为圆心,将8根锌合金阳极均匀分布在直径六米的圆周上,锌合金阳极通过电缆连接到一起形成接地网,排流器一端接电缆引出端,一端接管道,以汇总点为中心,分别在两边放置接地网,如图所示:


